Nézz be üzletünkbe a 360 fokos kép segítségével, vagy személyesen.
Klikk ide←
Szerviz szolgáltatásunk elérhető
Klikk ide ←
Elérhetőségeink→Klikk ide
Elérhetőségeink → klikk ide
Kiemelt Akciók
Akciók
Akkus gép
Akkumulátor és töltő
Einhell akkumulátor, töltő
Graphite akkumulátor, töltő
Hikoki Akkumulátor és töltő
Metabo akkumulátor, töltő
Riwall akkumulátor, töltő
Scheppach akkumulátor, töltő
Zipper akkumulátor, töltő
Akkus Betonacél Hajlító-Vágó-Betonvibrátor
Akkus csőhegesztő
Akkus felsőmaró
Akkus racsnics kulcs
Csempevágó
Csiszoló, sarokcsiszoló
Élmaró
Falhoronymaró
Festékszóró, festékkeverő
Fűrész, Gérvágó fűrész
Fúró, csavarbehajtó, gipszkartoncsavarozó
Fúrókalapács
Gép szett
Gravírozó
Gyalugép
Hőlégfúvó
Hűtőtáska
Kartuspisztoly
Kompresszor
Lemezolló, lyukasztó
Magasnyomású pisztoly, Ablaktisztító
Multigép
Popszegecshúzó, szögbelövő, tűzőgép
Porszívó, seprőgép, padlótisztító
Rádió, adapter
Ragasztópisztoly
Szerszám készlet
Ütvefúró, ütvecsavarozó
Ventilátor
Zsírprés
Áramfejlesztő
Autóipar
Autóemelő, bak, rámpa
Kerékkulcs
Szerelő szék, szerelő kocsi
Ablaktörlőkar szerelő és szélvédőkivágó szerszám
Akkumulátor töltő és bikázó
Autóápolási gép
Centírozó
Polírozógép
Polírozógép tartozék
Ütvecsavarozó
Autóvillamossági szerszám és szerelőkészlet
Csapágylehúzó - gömbfej és gömbcsukló szerelő szerszám
Egyéb általános és kiegészítő autójavító szerszám
Feszítő - csörlő
Futómű - fék - rugó és lengéscsillapító szerelő szerszám
Gyertya és kerékkulcs
Hidraulikus emelő
Kerékpár szerelés
Kuplung- és váltószerelő szerszám
Menetkészítő
Motorjavító - vezérlésbeállító és motoralkatrész szerelő szerszám - diagnosztika
Olajszűrő leszedő szerszámok és készlet
Olajszűrőkulcs - olajozókanna
Patentkiszedő - ajtókárpit és Tömítés eltávolító szerszám
Ponyva, takaró
Tölcsér
Vontatókötél - indítókábel
Zsírzó
BETA
Akkumulátoros szerszámok
Autójavító
Automata Sebességváltó-Féltengely
Diagnosztika
Egyéb felszerelések
Elektromos berendezés
Emelők
Fék
Felfüggesztés
További kategóriák
Automata kábeldobok
Bemutatási megoldások
Bliszter tartók
Csavarhúzók, hatszögű imbuszkulcsok és csavarhúzóbetétek
Fogók
Kalapácsok és ütőszerszámok
Kulcsok
Próbababa és ruhafogas
Szerszámok
További kategóriák
Bemutatási megoldások - Üres bemutatóállványok
BetaWork
Szerszámok
Bemutatási megoldások – Szerszámkészlet
Csavarhúzók, hatszögű imbuszkulcsok és csavarhúzóbetétek
Fogók
Kalapácsok és ütőszerszámok
Komplett állványok
Kulcsok
Szerszámok vágáshoz és különféle karbantartáshoz
Vágó és csiszolókorongok
Beta Combo rendszer
Beta Easy szerszámok
Beta Kenőanyagok
Beta Kollekció
Beta Worker
Beta Worker szerszámok
Biztonsági eszközök
Csavarhúzók, hatszögű imbuszkulcsok és csavarhúzóbetétek
BetaMax csavarhúzó
Csavarhúzó BetaGrip
Csavarhúzó cserélhető betéttel
Csavarhúzóbetét és betéttartó
Csavartartó csavarhúzó
Dugókulcs-csavarhúzó nyéllel
Easy csavarhúzó
További kategóriák
Dugókulcsok és tartozékok
Dugókulcs és tartozékok 1"
Dugókulcs és tartozékok 1/2"
Dugókulcs és tartozékok 1/4"
Dugókulcs és tartozékok 3/4"
Dugókulcs és tartozékok 3/8"
Gépi dugókulcs és tartozékok 1"
Gépi dugókulcs és tartozékok 1" 1/2
További kategóriák
Elektromos termékek
Automata kábeldobok
Elektromos gépek
Elektronikai- és mikromechanikai szerszámok
Csípőfogó
Csípőfogók
Egyenes csipesz
Egyenes csipeszek
Fogó
Fogók
Forrasztópáka és forrasztóállomás
További kategóriák
Elektrotechnikai
Huzalcsupaszoló
Kábelvágó
Olló
Saruzófogó és kábelsaru
Szigetelt fogó 1000V
Elektrotechnikai kiegészítők
Elektromos csatlakozók
Kábelkötözők
Szigetelőszalagok
Elektrotechnikai szerszámok
Akkumulátor töltők-Gyorsindítók-Bikázók
Digitális multiméter
Digitális multiméterek
Egyéb szigetelt szerszámok 1000V
Huzalcsupaszoló
Huzalcsupaszolók
Kábelkötegelő fogó
További kategóriák
Fogók
Állítható fogó
Biztosítógyűrűfogó
Csípőfogó
Fogó készletek
Hosszított műszerészfogó
Kombinált fogó
Önzáró fogó
Fúró- és menetmetsző szerszámok
Fűrész és koronafúró
Hosszú csigafúró szerszám
Kúpos és speciális lemezfúró
Menetfúró és hajtóvas
Menetfúró és menetmetsző szerszámkészlet
Menetmetsző és metsző hajtóvas
Rövid csigafúró szerszám
További kategóriák
Hegesztéstechnika
Inox
Kalapácsok és ütőszerszámok
Ácskalapács
Kiütő, kiütő szerszám és pontozó
Lakatos kalapács
Lapos véső és hegyes véső
Műanyag- és bronzkalapácsok
Speciális kalapácsok
Sulyok és ráverő kalapács
További kategóriák
Kerékpár szerelő szerszámok
Kulcsok
Állítható körmöskulcs
Állítható villáskulcs
Csillag-villáskulcs
Csillagkulcs
Csőkulcs és pipakulcs
Csuklós dugókulcs
Nyitott hollander kulcs
További kategóriák
Leesés védett szerszámok
Leesés védett szerszámok
Tartozékok
Lehúzók
Belső expanziós lehúzó
Háromkörmös csapágylehúzó szerszám
Hidraulikus csapágylehúzó
Hidraulikus prés
Kétkörmös csapágylehúzó szerszám
Lehúzókengyel és szétválasztó
Speciális csapágylehúzó
További kategóriák
Méréstechnika
Lézeres távolságmérő
Menetsablon és metrikus hézagmérő
Mérőóra és tartó
Mérőszalag, colstok
Mikrométer és tartó
Precíziós derékszög
Precíziós jelölő körző
További kategóriák
Motor javítás
Motor javítás
Műhelyberendezések
C45PRO
C45PRO 2.0
C58
RSC50 2.0
RSC50 műhelyberendezés
RSC55
Műhelyberendezések és készletek
Fiókos szerszámládák és szerszámkocsik
Készlet puha modulban
Készlet merev hőformált tálcában
Kiegészítők fiókos szerszámládákhoz és szerszámszekrényekhez
Műhelyberendezések
Munkapadok
RSC50 műhelyberendezés
További kategóriák
Munkaruházat
Basic
Easy
Easy Light
Esőruhák
Pamut
Rain
Stretch
További kategóriák
Munkavédelmi cipők (és technikai térdzoknik)
0-Gravity
Basic
Basic Plus
Easy
Easy Plus
Fit Evolution
Flex
További kategóriák
Nyomatékkulcsok és nyomatéksokszorozók
Nyomatékkulcs
Nyomatékkulcs és tartozékok
Nyomatékkulcs számlappal, és elektronikus
Nyomatékmérő csavarhúzó
Nyomatékmérő készülék
Nyomatéksokszorozó
Szögmérő
Pneumatikus szerszámok
Biztonsági tartozék
Csavarbehajtó
Csavarhúzó
Csiszoló és polírozó
Cső és csődob
Fúró
Kalapács
További kategóriák
Présgépek
Robur-szerelvények
Feszítőszerelvény és különálló részek
Füles horog
Heveder és rögzítő rendszerek
Hevederek és emelőláncok
Kengyelcsavar
Különböző és speciális árucikkek
Különleges csomagolás önkiszolgáló rendszerű értékesítéshez
További kategóriák
Szabadidő ruházat
Funkcionális aláöltözet
Kiegészítők
Mellények,kabátok
Nadrágok
Pólók
Pulóverek és dzsekik
Zoknik és Funkcionális aláöltözet
Szerelőszerszámok
Csőfogó
Csőhajlító fogó
Csőhegesztő és platnis kézi csőhegesztő
Csőtágító és peremező fogó
Csővágó
Speciális szerszámok
Szerszámok vágáshoz és különféle karbantartáshoz
Bádogos olló
Csapszegvágó és harapófogó
Csavarkiszedő és vizsgálótükör
Egyéb szerszámok a karbantartáshoz
Fűrész
Hántoló és ár
Hőpisztolyok és tartozékok
További kategóriák
Szerszámtárolás és készletek
Felszerelt szerszámkocsi megoldások
Fiókos szerszámládák és szerszámkocsik
Készlet puha modulban
Készlet merev hőformált tálcában
Kiegészítők fiókos szerszámládákhoz és szerszámszekrényekhez
Moduláris Munkapadok
Munkapadok
További kategóriák
Szikramentes szerszámok
Ultrahangos tisztító
Vágó és csiszoló korongok
Csapos dörzskorongok
Csapos lamellás korongok
Csiszoló korongok
Csiszoló korongok szatináló géphez
Csiszolótárcsák cirkónium csiszolóvászonnal
Csiszolótárcsák kerámia bevonatú cirkónium csiszolóvászonnal
Csiszolótárcsák korund csiszolóvászonnal
További kategóriák
Világítástechnika
Elszívó, porszívó
Elszívógép
Elszívógép tartozék, kiegészítő
Porszívó
Hamuporszívó
Ipari porszívó
Háztartási és barkács porszívó
Porszívó tartozék, kiegészítő
Építkezés, felújítás
Anyagkeverő, festékkeverő
Benzinmotoros betonmegmunkáló gép
Benzinmotoros darabológép, aszfaltvágó
Betoncsiszoló-Falcsiszoló-Falmaró
Betonkeverő, rostálógép
Bontókalapács
Csempe és vizesvágó
Elektromos csavarbehajtó
Elektromos gipszkarton csavarozó
Elektromos ütvecsavarozó
Elektromos kézi gyalu
Emelő, csörlő
Építkezési fűrész
Eszterga
Falhoronymaró
Festékszóró
Fúrógép
Fúrógép, ütvefúró
Fúrószár
Fúrótokmány
Fúrókalapács
Hegesztés és forrasztástechnika
Forrasztókészülék
Gázforrasztás
Hegesztő anyag, tartozék
Hegesztőgép
Hőlégfúvó
Lapvibrátor, döngölőbéka
Lézeres szintező, távolságmérő
Páramentesítő
Ragasztópisztoly
Betonacél hajlítógép
Dömper, talicska, markológép
Építőipari szerszám
Ecset
Festőhenger és tartozék
Gipszkarton és ytong szerszám
Habarcsvödör - láda - dézsa
Hulladékzsák
Jelölőceruza - filc - pontozó
Kicsapózsinór - porfesték
További kategóriák
Polisztirolvágó
Ragasztószalag
Villanyszerelő szerszámok,Kábelkötegelők
Faipari gép
Csiszológép
Dekopírfűrész, szúrófűrész
Élfóliázó gép
Előtoló gép
Faipari tartozék
Csiszolópapír
Fa fúrószár
Faeszterga tartozék
Fűrészlap
Gyalukés
Körfűrészlap
Marószerszám
További kategóriák
Gérvágó fűrész
Gyalu, egyengető, Kombinált Gyalugép
Keretprés
Marógép
Orrfűrész, kardfűrész
Parketta csiszoló
Szalagfűrész
Többfunkciós gép
Egyengető és vastagoló gyalugép
CNC Lézervágó-Gravírozó
Eszterga
Faipari elszívó
Körfűrész
Lapszabász gépek
Pánthelyfúró-Hosszlyukfúró gép
Fa fúró- és vésőgép
Hosszlyukfúró gép
Fémipari gép
Csiszológép, polírozó
Fém szalagfűrész
Fémipari eszterga
Fémipari Marógép-Satu
Fémipari tartozék
Csiszoló-, és vágókorong
Csiszolópapír
Drótkorong
Egyéb, állványok görgős pályák
Eszterga tartozék
Fémfúrószár
Fűrészlap
További kategóriák
Gyorsdaraboló
Köszörű, élező
Lemez és csőmegmunkáló gépek
Hengerítőgép
Lemez és Csőhajltó
Lemezvágó
Peremezőgép
Présgép
Stancoló
Sarokcsiszoló
Állványos és oszloposfúrógép
Fémipari elszívó
Kovács Üllő
Fűtés és hűtéstechnika
Grillo
Frontkaszás fűnyíró traktorok
Fű és bozótvágó traktorok
Fű és bozótvágó traktorok tartozékai
Helyben forduló fűnyíró traktorok
Helyben forduló fűnyíró traktorok tartozékai
Kerekes bozótvágók
Kerekes bozótvágók tartozékai
Magas ürítésű frontkaszás fűnyíró traktorok tartozékai
Magasfűnyírók
Magasfűnyírók tartozékai
Háztartási gép
Légtisztító, párásító
Porszívó
Sütés, főzés
Grillsütő
Ventilátor
Zene
Hősugárzók
Hikoki_Carat
Akkumulátoros csomagok
Akkus egyenescsiszolók
Akkus fúró- csavarozó
Akkus fúrókalapács
Akkus gyalu
Akkus kerti gépek 18V
Akkus körfűrész
Akkus lámpa
Akkus magasnyomású mosó
Akkus multiszerszám
Akkus orrfűrész
Akkus porszívó-légseprű
Akkus rádió
Akkus sarokcsiszoló
Akkus sarokfúrók
Akkus szalagfűrész
Akkus szegezőgépek
Akkus szúrófűrész
Akkus ütvecsavarozó
Akkus ventilátor
Aljzatvágó
Alumínium damilfejek
Asztali vizesvágók
Bontókalapács
Carat gyémánt fúrók
Carat gyémánttárcsák
Csavarbehajtó
Csavarozóbitek
Csempevágók
Csiszolólapok
Damilfejek
Damilok tekercsben
Daraboló
Dugókulcsok
egyéb
Egyéb akkus gépek
Egyéb Carat tartozékok
Egyéb kiegészítők
Egyenescsiszoló
Excenter csiszolók
Fafúrószárak
Falhoronyvágók
Felsőmaró
Fém daraboló
Fémfúrók
Földfúrók
Forgó szerszámkészletek
Forstner fúrók
Fűkasza, bozótvágó
Fúró-csavarozógépek
Fúró-ütvefúrók
Fúrókalapács
Fúrószárak bordás
Fúrószárak hatlapú
Fúrótokmányok
Gérvágó
Gipszkarton csavarok
Gyalu
Gyalukések
Gyapjú polírozók
Gyémánt dobozfúrók
Gyémánt koronafúrók
Gyémánt vágótárcsák
Gyémánttárcsák akkus gépekhez
Hengeres fafúrószárak
Hőlégfúvó
Hőlégfúvó tartozékok
Ipari porszívók
Kapcsok
Keményfém sorjázok
Keményfémlapkás körkivágók
Keverőgépek
Keverőszárak
Körfűrész
Körfűrészlapok
Körkivágók
Koronafúrók
Koronafúrók csavarmenetes befogással
Koronafúrók-Magfúrók
Kőzetfúrók
Láncélező reszelők
Láncok
Lemezvágó és lyukasztó
Magasnyomású mosó
Magasnyomású mosók tartozékai
Magfúró-Gyémántfúró állvány
Magfúrógépek
Marófejek
Mérőszalagok
Motorolajok
Multiszerszám
Multiszerszám tartozékok
MV adapterek
MV betonozás
MV csiszolás
MV fúrás-vésés, rögzítés
MV fűrészelés
MV kerti gépek
MV keverőgépek
MV Kompresszor
MV porszívók
MV sarokcsiszolók
Nagyszilárdságú bitek ütvecsavarozókhoz
Orrfűrész
Orrfűrészlapok
Polírozó
Polírozók
Porszívó tartozékok
Porszívó-fúvók
Porvédők
Rezgőcsiszoló
Sarokcsiszoló
Sarokcsiszoló tartozékok
SDS-max fúrószárak
SDS-max tartozékok
SDS-max TCT koronafúrók
SDS-plus fúrószárak
Sövényvágó
Süllyesztő fafúrószárak
Szalagcsiszoló
Száraz magfúrók
Szegek és patronok
Szúrófűrész
Szúrófűrészlapok
Tároló rendszerek
Tartozékok gyémánt magfúrókhozk
Tisztítókefék
Univerzális fúrószárak
Ütvecsavarbehajtó
Üzemanyagkannák
Vágó- és csiszolótárcsák
Variálható fúrórendszerek
Védőruhák
Védőszemüvegek
Vésők
Zsaluzat és szerelési fúró
Játék szerszám, ajándék
Kerti gép, kertészeti szerszám
Aggregátor, áramfejlesztő
Akkumulátoros kerti gép
Sövényvágó
Ágaprító, ágdaráló
Fűkasza, szegélynyíró,
Fűnyíró
Fűszellőztető, talajlazító
Kapálógép, talajfúró
Láncfűrész, orrfűrész, magassági ágvágó, láncélező
További kategóriák
Benzinmotoros kerti gép
Ágdaráló, komposztaprító
Fűkasza, szegélynyíró
Fűnyíró
Fűszellőztető, talajlazító
Hómaró
Kapálógép
Láncfűrész, magassági ágvágó
További kategóriák
Elektromos kerti gép
Bio-kertész, gyomírtó
Egyéb elektromos kerti gép
Fűszellőztető, talajlazító
Kapálógép
Ágdaráló, komposztaprító
Fűnyíró
Fűszegélynyíró
További kategóriák
Fűhenger
Fűnyírótraktor, kiegészítő
Házi vízmű, szivattyú
Hómaró
Kerti grill
Kerti kézi szerszámok, eszközök
Ágyásszegély
Ásó, lapát
Balta, fejsze
Gereblye, lombseprű, vasvilla
Kapa
Kézi ágvágó, bozótvágó
Kézi fűszegélynyíró
További kategóriák
Kézi fűnyíró, gyepszellőztető
Kiegészítő, tartozék, motorolaj
Magasnyomású mosó
Permetező
Robotfűnyíró
Rönkhasító, rönkdaraboló, rönkmaró
Kézi szerszám, kiegészítő, tartozék
Adapter
Balta, fejsze, kalapács, véső
Bit, bit készlet és bit tartó
Csapszegvágó, lemezvágó
Csavarhúzó
Bitfejes csavarhúzó készlet
Csavarhúzó készlet
Dugókulcs felfogatású bitfej és készlet
Fázisceruza
Kereszthornyas csavarhúzó (PH)
Kereszthornyas csavarhúzó (PZ)
Kereszthornyas üthető csavarhúzó (PH)
További kategóriák
Csiszoló, polírozó, vágókorong
Csiszolókorong
Csiszolópapír
Drótos körkefe
Polírozó-, fényesítő korong
Vágókorong
Csiszoló szerszám
Csiszolókerék
További kategóriák
Csővágó
Egyéb
Fejlámpa, lámpa, zseblámpa, reflektor
Fejlámpák
Kézi lámpák
Reflektorok
Fogó
Csőfogó
Csőhajlító
Falcfogó
Harapófogó
Homlokcsípő fogó
Kábelcsupaszoló - blankoló fogó
Kábelsaruzó - krimpelő fogó
További kategóriák
Fúróállvány
Fúrógép tartozék
Fúrószár
Beton-, és falfúrószár
Csempe-, járólap- és cserépfúrószár
Fafúrószár
Fémfúrószár
Koronafúró, dobozfúró,lyukfúró
Üvegfúrószár
Fafúrószár készletek
További kategóriák
Gravírozó tartozék
Gyalukés
Heveder, szerszámrögzítő
Imbusz-, csavar-, villás és egyéb kulcs
Csavarkulcs
Csillagkulcs
Dugókulcs
Egyéb kulcs
Imbuszkulcs
Kerékkulcs
Pipakulcs
További kategóriák
Kés, penge, szike, olló
Keverőszár
Kézi csempevágó
Kézi tűzőgép, szeg, kapocs
Kézifűrész
Fafűrész
Fémfűrész
Kinyomópisztoly
Köszörű korong
Line Master
Marófej, marókés
Mérőeszköz
Acélvonalzó
Derékszög
Famérce - colostok
Kerekes távolságmérő
Lézeres szintező
Mérőműszer
Mérőszalag
További kategóriák
Multigép tartozék, kiegészítő
Olajozó, zsírzó
Reszelő, ráspoly
Sarokcsiszoló tartozék
Szalagfűrészlap
Vésőszár, vésőszár készlet
Vezetősin
Ácsceruza, jelölő eszköz
Feszítővas
Fonatolt kötél
Fűrészlap
Dekopírfűrészlap
Körfűrészlap
Orrfűrészlap
Hálózati elosztó
Hulladékzsák, sittes zsák
Kábelkötegelő
Körfűrészlap, fűrésztárcsa
Lakat
Napelem szerelés
Pontozó, börlyukasztó
Ragasztószalag, festőszalag
Szaniter szerszám
Szerszám készlet
Szigetelőszalag
Szorító csipesz
Technikai spray
Tölcsér
Üvegtábla emelők
Üvegvágók
Kocsibeálló, Féltető, Pavilon, Medencefedő, Téli kert, Kerti tároló
Féltető-Terasztető
Kerti pavilon
Kerti tároló
Kocsibeálló
Medencefedő
Tartozék
Téli kert, üvegház
Márkáink
ACTIVA
Einhell
Graphite
Holzmann
Kreator
KWB
Metabo
Michelin
Neo Tools
Nilfisk
Riwall
Scheppach
VERTO
Viper
Zipper
Beta
CFH
Eurokomax
Stihl
Topex
Mezőgazdaság
Fém szemeteskuka tároló
Kisállat tartóhely
Magaságyás
Műhely felszerelés
Berendezés
Szállítás, molnárkocsi
Szerszám tárolás
Egyéb
Műhelykocsi
Szerszámos táska, övtáska
Szerszámosláda
Szortimenter
Emelő-Csörlő
Tartóbak-Állvány
Munkavédelem
Fejvédő
Hallásvédelem
Kesztyű
Látásvédelem
Láthatósági öltözet
Légzésvédelem
Munkaruházat
Aláöltözet
Esővédő ruházat
Ing - póló
Kabát - dzseki - mellény
Nadrág - overall
Sapka
Pajzs - álarc
Térdvédő
Tisztító
Védőoverál, védőköpeny
NILFISK
2-IN-1 Porszívók
Általános rendeltetésű porszívók
Szállodai és irodai száraz porszívók
AERO 21 / AERO 21 INOX - Kompakt ipari száraz-nedves porszívók
AERO 26 - Kompakt ipari száraz-nedves porszívók
AERO 31 INOX - Kompakt ipari száraz-nedves porszívók
ATTIX 30 - Egyfázisú ipari száraz-nedves porszívók
ATTIX 33 -Egyfázisú ipari száraz-nedves porszívók
ATTIX 40 - Egyfázisú ipari száraz-nedves porszívók
További kategóriák
Egytárcsás súrolók
BU500 - Ultramagas fordulatú polírozó
BU800 - Gyalogkíséretű polírozó
FM400 D - kettős fordulat
FM400 H - magas fordulat
FM400 L - alacsony fordulat
Gőztisztítók
Gyalogkiséretü padlótisztító gépek
Kisméretű padlótisztító gépek
Közepes méretű padlótisztó gépek
Nagyméretű padlótisztitó gépek
Háztartási hidegvizes magasnyomású mosók
Magasnyomású mosók
Tartozékok
Háztartási porszívók
Tartozékok
Háztartási száraz-nedves porszívók
Száraz nedves porszívók
Tartozékok
Hidegvizes belsőégésű motorral szerelt mobilmosók
Ipari Hidegvizes magasnyomású mosók
MC 2C - Kompakt mobil sorozat
MC 3C - Kompakt mobil sorozat
MC 4M - Közepkategóriás mobil sorozat
MC 5M PA-FA - Középkategóriás mobil sorozat
MC 6P FA - Prémium kategóriás mobil sorozat
MC 7P FA - Prémium kategóriás mobil sorozat
MC 8P - Prémium kategóriás mobil sorozat
Ipari Melegvizes magasnyomású mosók
MH 3C PA - Kompakt mobil sorozat
MH 3M PA - Középkategóriás mobil sorozat
MH 4M FA/PA - Középkategóriás mobil sorozat
MH 5M - Középkategóriás mobil sorozat
MH 6P - Prémium kategóriás mobil sorozat
MH 7P - Prémium kategóriás mobil sorozat
MH 8P - Prémium kategóriás mobil sorozat
IVS Ipari poszívók
Kárpitisztítók
Melegvizes belsőégésű motorral szerelt mobilmosók
Seprőgépek
Gyalogkiséretű önjáró seprőgépek
Kisméretű manuális seprőgépek
Vezetőüléses seprőgépek
Tisztítószerek
Vezetőüléses padlótisztitó gépek
Kisméretű padlótisztító gépek
Közepes méretű padlótisztó gépek
Nagyméretű padlótisztitó gépek
Viper
Egyéb termékek
Egytárcsás súrolók
Gyalogkíséretü padlótisztitók
Gyalogkíséretű seprőgép
Kárpit és szőnyegtisztító
Száraz porszívók
Száraz/nedves porszívók
További kategóriák
Stiga
2 ütemű bozótvágók
4 ütemű bozótvágók
Ágvágók
Akkumulátorok és akkumulátortöltők
Akkumulátoros bozótvágók
Akkumulátoros fűnyíró traktorok
Akkumulátoros fűnyírók
Akkumulátoros fűszegélynyírók
Akkumulátoros láncfűrészek
Akkumulátoros lombszívók és lombfúvók
Akkumulátoros metszőollók
Akkumulátoros sövényvágók
Akkumulátoros többfunkciós eszköz
Benzinmotoros fűnyírók
Benzinmotoros fűszegélynyírók
Benzinmotoros gyepszellőztetők
Benzinmotoros kapálógépek
Benzinmotoros láncfűrészek
Benzinmotoros lombszívók és lombfúvók
Benzinmotoros sövényvágók
Egyéb kiegészítők
Elektromos fűnyírók
Elektromos fűszegélynyírók
Elektromos gyepszellőztetők
Elektromos komposztaprítók
Elektromos láncfűrészek
Elektromos lombszívók és lombfúvók
Elektromos magasnyomású mosók
Elektromos sövényvágók
Frontkaszás fűnyíró traktorok
Frontkaszás fűnyíró traktorok tartozékai
Frontkaszás fűnyíró traktorok vágóasztalai
Fűgyűjtős fűnyíró traktorok
Fűnyíró traktorok tartozékai
Helyben forduló fűnyíró traktorok
Helyben forduló fűnyíró traktorok tartozékai
Hómarók
Kapálógépek tartozékai
Kézi eszközök alkatrészei
Kézi eszközök tartozékai
Kézi fűrészek
Kézi metszőollók
Kézi szerszámok
Magasnyomású mosók tartozékai
Oldalkidobós fűnyíró traktorok
Robotfűnyírók és tartozékai
Seprőgépek
Seprőgépek tartozékai
Sövényvágók
Speciális fűnyrók
Suhanó fűnyírók
Suhanó fűnyírók tartozékai
STIHL
Akkumulátor, töltő
STIHL akkumulátor
STIHL töltőkészülék
Akkumulátoros gépek
Akkumulátoros ágvágó, magassági ágvágó
Akkumulátoros fűnyíró, robotfűnyíró
Akkumulátoros fúvó- és lombszívó gép
Akkumulátoros gyepszellőztető
Akkumulátoros kompresszor
Akkumulátoros láncfűrész
Akkumulátoros magasnyomású mosó
További kategóriák
Aprítógép
Benzines kerti aprítógép
Elektromos kerti aprítógépek
Benzines szivattyúk
Beton, és fém daraboló fűrészek
Tartozékok vágótárcsás gépekhez
Vágótárcsás gépek
Egyéni védőfelszerelések
Bakancsok
Fej- és hallásvédők
Időjárásálló és funkcionális öltözék
Munkakesztyűk
Munkaruha
Védőszemüvegek
Fűkaszák és szegélynyírók
Akkumulátoros fűkaszák, szegélynyírók
Elektromos szegélynyírók
Hevederek
Középkategóriás fűkasza
Motoros kasza tartozékok
Motoros szegélynyírók
Professzionális motoros kaszák
Fűnyíró gép, robotfűnyíró
Akkumulátoros fűnyíró gépek
Benzinmotoros fűnyíró gépek
Elektromos fűnyíró gépek
Fűnyíró tartozékok
Robotfűnyíró
Robotfűnyíró tartozék
Fűnyíró traktor, traktor tartozék
Fűnyíró traktor
Fűnyíró traktor tartozék
Gyepszellőztetők
Kapálógépek
Kombirendszer és multirendszer
Kombirendszer
Tartozékok kombi- és multirendszerekhez
Láncfűrészek és magassági ágvágók
Akkumulátoros fűrészek
Benzines motorfűrészek kertápoláshoz
Elektromos fűrészek
Fagondozó fűrészek
Fűrészláncok motorfűrészekhez
Középkategóriás benzines láncfűrészek
Magassági ágnyesők
További kategóriák
Lombfúvó- és lombszívó gépek
Akkumulátoros lombfúvó- és lombszívó gép
Benzinmotoros lombfúvó- és lombszívó gép
Elektromos lombfúvó- és lombszívó gép
Lombfúvó- és lombszívó gép tartozék
Magasnyomású mosók
Akkus magasnyomású mosó
Elektromos magasnyomású mosó
Magasnyomású mosó tartozék
Olajok, kenőanyagok és kannák
Kannák és töltőrendszerek
Tisztító és kenőanyagok
Üzem- és kenőanyagok
Permetezőgépek és kézi permetezők
Akkumulátoros permetező
Benzinmotoros permetezőgép
Kézi permetező
Tartozékok kézi permetezőkhöz
Porszívók
Akkus porszívó
Elektromos porszívó
Porszívó tartozék
Reklámtárgyak
Férfi
Gyerek
Kiegészítők
Seprőgépek
Akkus seprőgép
Kézi seprő
Sövénynyírók és sövényvágók
Akkumulátoros sövénynyírók és sövényvágók
Benzines sövénynyírók
Elektromos sövénynyírók
Tartozékok sövénynyírókhoz és sövényvágókhoz
Szerszámok és erdészeti eszközök
Kézi szerszámok és erdészeti eszközök
Mérő- és jelölőeszközök
Metszőollók, gallyazó ollók, ágfűrészek
Talajfúró gépek
Talajfúró
Tartozékok talajfúró gépekhez
Sűrített levegős gép
Kompresszor
Légkulcs, ütvecsavarozó, fúró
Levegős csiszoló
Levegős festékszóró
Levegős fúvópisztoly
Levegős homokfúvó
Levegős kartuspisztoly
Levegős keréknyomásmérő
Levegős szett
Levegős szögbelövő-Poszegecshúzó
Levegős szórópisztoly
Levegős tömlő, spiráltömlő
Levegős vésőkalapács
Levegős zsírzóprés
Egyéb levegős gép
Levegős kulcs és készlet
Sürített levegős tartozék
Takarítás
Egyéb
Egytárcsás gép
Kárpittisztító
Padlótisztítás
Padlótisztító
Porszívó
Seprőgép
Szőnyegtisztító
Túra
Üzletünk 360°
Termék Kategóriák
Szerviz szolgáltatásunk
Elérhetőségeink
NEO Tools 55-736 Csiszolópapír tépőzáras 93x185mm, K40, lyukas, 5db, min. rendelés: 5cs, NEO Tools
665
Ft
Kosárba
Főkategória
Kézi szerszám, kiegészítő, tartozék
Csiszoló, polírozó, vágókorong
Csiszolópapír
Csiszoló lap
NEO Tools 55-736 Csiszolópapír tépőzáras 93x185mm, K40, lyukas, 5db, min. rendelés: 5cs, NEO Tools
Rendelhető
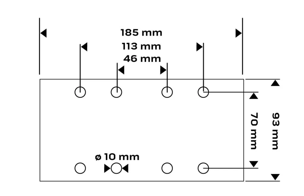
Csiszolópapír tépőzáras NEO TOOLS (cikkszám: 55-736) mérete 93 x 185 mm finomsága 40, lyukakkal. Felhasználás: fa- és faszerű anyagok, fémek és műanyagok csiszolása. A papír készítéséhez E típusú papírbázist használtunk, ami gépi csiszolásra szolgál. Az alkalmazott félig nyílt szórásnál a felület 80-90%-t borítja csiszolószemcse (nemes elektrokorund), ami növeli a munka termelékenységét és csökkenti az eltömődés kockázatát. A tépőzáras rögzítés lehetővé teszi az elhasználódott papír gyors cseréjét. Rezgő és excenteres csiszolókkal való munkavégzésre szolgálnak. A NEO TOOLS márka a profi követelményeket teljesítő elektromos szerszámok széles választékát kínálja.
Rendelhető
665
Ft
Kosárba
Adatok
Hossz
25
Szélesség
9.300000000000001
Magasság
1.1
Gyártó
NEO TOOLS
EAN
5906692004393
Cikkszám
55-736
Tömeg
108,4 g/db
Hasonló termékek
Kiemelt Akciók
Akciók
353673|936833
Akkus gép
563048|936833
Áramfejlesztő
889814|936833
Autóipar
825976|936833
BETA
527871|936833
Elszívó, porszívó
515176|936833
Építkezés, felújítás
743609|936833
Faipari gép
167568|936833
Fémipari gép
823624|936833
Fűtés és hűtéstechnika
851384|936833
Grillo
994714|936833
Háztartási gép
471957|936833
Hikoki_Carat
814506|936833
Játék szerszám, ajándék
598860|936833
Kerti gép, kertészeti szerszám
735708|936833
Kézi szerszám, kiegészítő, tartozék
527621|936833
Kocsibeálló, Féltető, Pavilon, Medencefedő, Téli kert, Kerti tároló
937518|936833
Márkáink
390228|936833
Mezőgazdaság
131020|936833
Műhely felszerelés
150035|936833
Munkavédelem
854134|936833
NILFISK
573710|936833
Stiga
810778|936833
STIHL
484126|936833
Sűrített levegős gép
712509|936833
Takarítás
841021|936833
Túra
9999999930300|0
Üzletünk 360°
9999999501679|0
Termék Kategóriák
9999999959928|0
Szerviz szolgáltatásunk
9999999151298|0
Elérhetőségeink
Belépés
Email
Jelszó
Belép
Elfelejtettem a jelszavamat
Regisztráció
Adatkezelési beállítások
Weboldalunk az alapvető működéshez szükséges cookie-kat használ. Szélesebb körű funkcionalitáshoz (marketing, statisztika, személyre szabás) egyéb cookie-kat engedélyezhet. Részletesebb információkat az
Adatkezelési tájékoztató
ban talál.
Nem engedélyezem
Engedélyezem